
BJBGE-100B
Gas Effect Breakout Junction Box, rated leak tight at 100" of water column (positive or negative). Includes SureSeal connectors, 3/4" & 1" Myers hub, transducer cable clamp, desiccant dryer, bellows, enclosure is powder coated steel.
Video
Installation
Click Photo to Enlarge

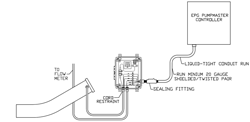
BJBP500
EPG Breakout Box, NEMA 4X non-metallic enclosure for 1 ea. motor lead, with SureSeal connectors.
Installation
Click Photo to Enlarge

BJBL600B
EPG Breakout Box, NEMA 4X non-metallic enclosure, junction box for 1 ea. level sensor. Includes desiccant dryer, bellows, and SureSeal connectors.
Installation
Click Photo to Enlarge

BJBL625B
EPG Breakout Box, NEMA 4X non-metallic enclosure for (2) level sensors. Includes desiccant dryers, bellows, and SureSeal connectors.
Installation
Click Photo to Enlarge

BJBO800B
EPG Breakout Box, NEMA 4X non-metallic enclosure for 1 ea. level sensor and 1 ea. flow sensor or mag meter. Includes desiccant dryer, bellows, and SureSeal connectors.
Installation
Click Photo to Enlarge

BJBF700
EPG Breakout Box, NEMA 4X non-metallic enclosure for 1 ea. flow sensor, with SureSeal connectors.
Installation
Click Photo to Enlarge

BJBP525
EPG Breakout Box, NEMA 4X non-metallic enclosure for (2) motor leads, with SureSeal connectors.
Installation
Click Photo to Enlarge

BJBF400
EPG Breakout Box, NEMA 4X non-metallic enclosure for float, with SureSeal connectors.
Installation
Click Photo to Enlarge

More Models Available:
For more information, please call EPG Companies Inc. at 1-800-443-7426
Since 1985, EPG Companies Inc. has designed and manufactured pollution control systems and equipment being used worldwide in various landfill, remediation, water and wastewater and industrial applications. With over 12,000 installations, EPG has become the choice among thousands of environmental professionals.
In addition to manufacturing superior, trouble-free equipment, EPG Companies conducts annual pumps and controls service school designed to help develop knowledge, expertise and troubleshooting ability. Our classes are applicable to all who are involved with the design, installation, and maintenance of Liquid or Gas Handling Systems, Remediation Systems and/or SCADA and Data Acquisition Systems.
Copyright © EPG Companies Inc. All rights reserved.